Understanding The 4029 IC: A Comprehensive Guide

E.Ittepic 126 views
Understanding The 4029 IC: A Comprehensive Guide

Understanding the 4029 IC: A Comprehensive Guide

The 4029 IC is a versatile synchronous up/down counter, a staple component in digital electronics. Guys, if you’re diving into digital circuit design, understanding the ins and outs of the 4029 is super important. This article will break down everything you need to know, from its basic functionality to its applications and more advanced uses. By the end, you’ll have a solid grasp of how to use this handy chip in your projects. Let’s get started!

What is the 4029 IC?

The 4029 IC is a 4-bit presettable binary up/down counter. This means it can count upwards or downwards in binary sequence, and you can preset it to start counting from a specific number. Its synchronous operation means that all the flip-flops inside the chip change state at the same time, triggered by a common clock signal. This makes the counting process more reliable and predictable compared to asynchronous counters. The 4029 is part of the CD4000 series, a family of CMOS (Complementary Metal-Oxide-Semiconductor) integrated circuits known for their low power consumption and wide operating voltage range. This makes it suitable for a variety of applications, from simple counting circuits to more complex digital systems. One of the key features of the 4029 is its ability to be preset to a specific value. This is done using the preset inputs (P1, P2, P4, and P8) and the jam input. When the jam input is high, the counter will load the values present on the preset inputs. This allows you to start counting from any desired value, not just zero. Another important feature is its up/down control input. This input determines whether the counter counts upwards or downwards. When the up/down control input is low, the counter counts up. When it is high, the counter counts down. This gives you flexibility in how you use the counter in your circuits. The 4029 also has a carry-in and a carry-out. The carry-in allows you to cascade multiple 4029s together to create counters with larger bit widths. The carry-out indicates when the counter has reached its maximum or minimum value, depending on whether it is counting up or down. This can be used to trigger other events in your circuit. Overall, the 4029 is a versatile and useful IC for a wide range of digital counting applications. Its synchronous operation, presettable inputs, up/down control, and carry-in/carry-out make it a powerful tool for any digital designer. Whether you are building a simple timer or a complex control system, the 4029 can be a valuable component in your design.

Key Features and Specifications

When working with the 4029 IC , it’s super important to know its key features and specifications to make sure it fits well with your project requirements. Let’s dive into what makes this chip tick.

  • Synchronous Operation: All internal flip-flops change state simultaneously, triggered by the clock signal. This ensures accurate and predictable counting. In synchronous operation, the counter’s output changes only on the active edge of the clock pulse. This means that all the flip-flops inside the counter are synchronized to the same clock signal, which eliminates the possibility of timing skews and glitches that can occur in asynchronous counters. The synchronous operation of the 4029 ensures that the counter’s output is always stable and reliable.
  • Up/Down Counting: It can count both upwards and downwards, offering flexibility in various applications. The direction of the count is controlled by a single input pin, which makes it easy to switch between counting up and counting down. This feature is particularly useful in applications where you need to track both increasing and decreasing values, such as in a position control system.
  • Presettable Inputs: Allows you to start counting from any desired value, not just zero. The 4029 has four preset inputs, which correspond to the four bits of the counter. You can set these inputs to any desired value, and then use the jam input to load that value into the counter. This feature is useful in applications where you need to start counting from a specific value, such as in a frequency divider.
  • Carry-In and Carry-Out: Enables cascading multiple ICs to create counters with larger bit widths. The carry-out signal indicates when the counter has reached its maximum or minimum value, depending on the counting direction. This feature is essential for building counters that can count beyond the 4-bit limit of a single 4029 IC. By cascading multiple ICs, you can create counters with virtually any bit width.
  • Wide Operating Voltage: Typically operates from 3V to 15V, making it compatible with various logic families. This wide operating voltage range makes the 4029 a versatile choice for a wide range of applications. You can use it with both TTL and CMOS logic circuits, without the need for any special level shifting circuitry.
  • Low Power Consumption: CMOS technology ensures minimal power usage, making it suitable for battery-powered applications. The low power consumption of the 4029 is a major advantage in battery-powered applications, where energy efficiency is critical. This allows you to build circuits that can run for extended periods of time on a single battery.

Typical Specifications:

  • Supply Voltage (VDD): 3V to 15V
  • Quiescent Current (IDD): Typically less than 10 μA at 5V
  • Maximum Clock Frequency: Typically 5 MHz at 10V
  • Operating Temperature Range: -40°C to +85°C

Pin Configuration

Understanding the pin configuration of the 4029 IC is crucial for connecting it correctly in your circuits. Each pin has a specific function, and knowing what each one does will save you a lot of headache. Here’s a breakdown of the pins:

  1. Pin 1 (Carry-In): This is the carry-in input. It’s used when you want to cascade multiple 4029 ICs to create a counter with a larger bit width. Connect the carry-out of the previous stage to this pin.
  2. Pins 2, 3, 4, 5 (P1, P2, P4, P8): These are the preset inputs. They allow you to preset the counter to a specific value. P1 corresponds to the least significant bit (LSB), and P8 corresponds to the most significant bit (MSB). Apply the desired binary value to these pins.
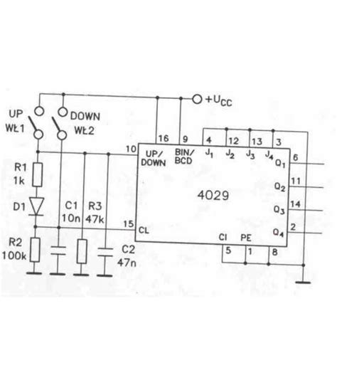
  3. Pin 6 (Up/Down): This is the up/down control input. A logic low on this pin makes the counter count up, while a logic high makes it count down. Connect this pin to a control signal to switch between up and down counting.
  4. Pin 7 (Ground): This is the ground (0V) connection for the IC. Always connect this pin to ground.
  5. Pin 8 (Clock): This is the clock input. The counter increments or decrements on each positive or negative edge of the clock signal, depending on the specific 4029 variant. Apply the clock signal to this pin.
  6. Pin 9 (Jam): This is the jam input. When this pin is high, the values on the preset inputs (P1, P2, P4, P8) are loaded into the counter. Use this pin to load the preset value.
  7. Pin 10 (Carry-Out): This is the carry-out output. It goes high when the counter reaches its maximum count (1111) in up-counting mode or its minimum count (0000) in down-counting mode. Connect this pin to the carry-in of the next stage when cascading ICs.
  8. Pins 11, 12, 13, 14 (Q1, Q2, Q3, Q4): These are the outputs of the counter. Q1 is the LSB, and Q4 is the MSB. These pins provide the current count value in binary format.
  9. Pin 16 (VCC): This is the positive supply voltage pin. Connect this pin to the positive supply voltage (typically 3V to 15V).

Make sure to double-check the datasheet for the specific variant of the 4029 you’re using, as there might be slight differences in pin assignments or operating characteristics. With a clear understanding of the pin configuration, you’ll be well-equipped to integrate the 4029 into your digital designs.

How the 4029 IC Works

To really get the most out of the 4029 IC , it’s important to understand how it works internally. This section breaks down the functional aspects of the chip, so you can see how all the inputs and outputs interact to perform counting operations.

Basic Counting

The 4029 is a synchronous up/down counter. This means it can count upwards or downwards based on the signal applied to the Up/Down control pin (Pin 6). When the Up/Down pin is low, the counter increments on each rising edge of the clock signal applied to the Clock pin (Pin 8). When the Up/Down pin is high, the counter decrements on each rising edge of the clock signal. The current count is available at the output pins Q1, Q2, Q3, and Q4 (Pins 11, 12, 13, and 14), representing the binary value of the count.

Presetting the Counter

One of the key features of the 4029 is its ability to be preset to a specific value. This is done using the preset inputs P1, P2, P4, and P8 (Pins 2, 3, 4, and 5) and the Jam input (Pin 9). To preset the counter, you first apply the desired binary value to the preset inputs. For example, if you want to preset the counter to the value 5 (binary 0101), you would apply a low signal to P1, a high signal to P2, a low signal to P4, and a high signal to P8. Then, you apply a high signal to the Jam input. This causes the values on the preset inputs to be loaded into the counter, and the counter will start counting from that value. Once the counter has been preset, you can return the Jam input to a low signal, and the counter will continue counting up or down from the preset value.

Cascading Counters

The 4029 can be cascaded with other 4029 ICs to create counters with larger bit widths. This is done using the Carry-In (Pin 1) and Carry-Out (Pin 10) pins. To cascade two 4029 ICs, you connect the Carry-Out of the first IC to the Carry-In of the second IC. When the first IC reaches its maximum count (1111 in up-counting mode or 0000 in down-counting mode), the Carry-Out pin goes high, which causes the second IC to increment or decrement. This allows you to create counters with 8, 12, 16, or more bits by cascading multiple 4029 ICs together.

Internal Structure

The 4029 consists of four D-type flip-flops, along with some combinational logic gates. The flip-flops are connected in a synchronous manner, which means that they all change state at the same time, triggered by the clock signal. The combinational logic gates are used to implement the up/down counting logic, the preset logic, and the carry-in/carry-out logic. The internal structure of the 4029 is designed to provide reliable and predictable counting operations.

Common Applications

The 4029 IC is incredibly versatile and finds its way into a wide array of applications. Understanding these common uses can spark ideas for your own projects. Here are a few examples:

  • Frequency Dividers: The 4029 can be used to divide a clock frequency by a specific factor. By connecting the output of the counter to the preset inputs, you can create a feedback loop that causes the counter to reset after a certain number of counts. This allows you to generate a clock signal with a lower frequency than the input clock signal. Frequency dividers are used in a variety of applications, such as synthesizers, timers, and digital clocks.
  • Digital Clocks and Timers: Its counting capabilities make it perfect for building digital clocks, timers, and stopwatches. By cascading multiple 4029 ICs together, you can create counters that can count up to hours, minutes, and seconds. The output of the counter can be displayed on a seven-segment display or an LCD screen to show the current time. Digital clocks and timers are used in a wide range of applications, from kitchen timers to industrial control systems.
  • Event Counters: The 4029 can be used to count the number of events that occur in a system. For example, it can be used to count the number of times a button is pressed, the number of pulses from a sensor, or the number of revolutions of a motor. Event counters are used in a variety of applications, such as production line monitoring, traffic counting, and scientific instrumentation.
  • Binary Adders/Subtractors: With some additional logic gates, the 4029 can be configured to perform binary addition or subtraction. By using the preset inputs and the carry-in/carry-out pins, you can create a circuit that can add or subtract two binary numbers. Binary adders and subtractors are used in a variety of applications, such as calculators, computers, and digital signal processing systems.
  • Sequential Logic Circuits: It can be used as a building block in more complex sequential logic circuits, such as state machines and controllers. By combining the 4029 with other logic gates and flip-flops, you can create circuits that can perform a wide range of tasks, such as controlling the operation of a vending machine, a traffic light, or a washing machine. Sequential logic circuits are used in a wide range of applications, from consumer electronics to industrial automation.

Tips and Tricks for Using the 4029 IC

To make your experience with the 4029 IC smoother and more efficient, here are some handy tips and tricks.

  • Decoupling Capacitors: Always use decoupling capacitors (typically 0.1μF) close to the VCC and ground pins. This helps to filter out noise and voltage fluctuations, ensuring stable operation of the IC. Place the capacitors as close as possible to the pins to minimize inductance.
  • Proper Grounding: Ensure a solid ground connection to prevent noise and erratic behavior. Use a ground plane on your PCB or a star grounding configuration to minimize ground loops.
  • Clock Signal Quality: Use a clean and stable clock signal. Jitter or noise on the clock signal can cause the counter to malfunction. If necessary, use a Schmitt trigger to clean up the clock signal.
  • Unused Inputs: Tie any unused inputs to either VCC or ground. Floating inputs can cause unpredictable behavior and increase power consumption. Use pull-up or pull-down resistors to ensure that the inputs are at a defined logic level.
  • Cascading Considerations: When cascading multiple 4029 ICs, consider the propagation delay. The delay through each IC can accumulate, limiting the maximum clock frequency. Use faster logic families or look-ahead carry techniques to reduce the overall delay.
  • Presetting Techniques: Use the preset inputs strategically to initialize the counter to a known state. This can be useful for synchronizing multiple counters or for implementing specific counting sequences. Make sure to pulse the jam input long enough for the preset value to be loaded into the counter.
  • Logic Level Compatibility: Ensure that the logic levels of the input signals are compatible with the 4029’s operating voltage. Use level shifters if necessary to convert between different logic levels.
  • Simulation: Simulate your circuit before building it to identify any potential problems. Use a circuit simulation software such as LTspice or Multisim to verify the functionality of your design.

Conclusion

The 4029 IC is a versatile and essential component for anyone working with digital circuits. From understanding its basic features and pin configurations to exploring its wide range of applications, this guide has equipped you with the knowledge to confidently incorporate the 4029 into your projects. Whether you’re building frequency dividers, digital clocks, or complex sequential logic circuits, the 4029 offers a reliable and efficient solution. So go ahead, grab a 4029 IC, and start building something awesome!