IC 4017 Counter Explained: Principles & Uses

E.Ittepic 53 views
IC 4017 Counter Explained: Principles & Uses

IC 4017 Counter Explained: Principles & Uses

Hey there, electronics enthusiasts! Ever wondered how those cool sequential light patterns or simple counting circuits work? Chances are, a little chip called the IC 4017 is at the heart of many such projects. This fantastic integrated circuit is a decade counter with a built-in decoder , making it incredibly popular for hobbyists and professionals alike. Understanding the IC 4017 working principle isn’t just about memorizing a datasheet; it’s about unlocking a world of creative electronic designs. Whether you’re building a Knight Rider-style LED display, a fancy sequential timer, or even a basic frequency divider, the 4017 is your friend. In this deep dive, we’re going to break down exactly what this chip does, how it does it, and why it’s such a versatile component in your electronics toolkit. So, grab your soldering iron (or just your curiosity!), because we’re about to demystify the magic of the IC 4017 and explore its incredible capabilities. Let’s get started!

What Exactly is the IC 4017 and Why Should You Care?

Alright, guys, let’s talk about the star of our show: the IC 4017 . At its core, the IC 4017 is a CMOS decade counter/divider with 10 decoded outputs. What does that mouthful mean? Essentially, it’s a chip that can count from zero to nine, and for each count, it turns on one specific output pin while keeping all others off. Imagine having ten little switches that flip on one after the other, in a precise sequence – that’s what the 4017 does, and it does it beautifully. This particular chip belongs to the CD4000 series of CMOS (Complementary Metal-Oxide-Semiconductor) integrated circuits, known for their low power consumption and high noise immunity , which are fantastic features for many applications. When we talk about the IC 4017 working principle , we’re primarily referring to how it manages to count and sequentially activate its outputs. It’s not just a simple counter; it’s a Johnson counter , which is a type of shift register that creates a unique sequence of states, allowing for its decoded outputs. This clever internal design is what makes the 4017 so special and efficient in its operation. Unlike some binary counters that need external decoding logic, the 4017 has it all built right in, simplifying your circuit designs immensely. Why should you, as an electronics enthusiast or even a budding engineer, care about this little piece of silicon? Well, for starters, its simplicity and versatility are unmatched for certain tasks. Want to create a scrolling LED display? The 4017 makes it trivial. Need a simple sequencer for a motor control project or an audio effect? Again, the 4017 steps up to the plate. It’s a fantastic learning tool for understanding sequential logic and digital electronics, providing a clear, tangible output that you can see and interact with. Plus, because it’s a CMOS chip, it works well with a wide range of voltages, typically from 3V to 15V, making it compatible with various power supplies and other logic families. Its robustness and ease of use mean you’ll find it in countless hobby projects, from blinking festive lights to more complex industrial controls. So, if you’re looking for a reliable, easy-to-use chip that can bring your sequential ideas to life, the 4017 is definitely one to keep in your arsenal. It truly is a workhorse in the world of digital electronics, providing reliable sequential output with minimal fuss. Learning the IC 4017 working principle will open up a lot of possibilities for your projects, trust me!

Diving Deep: The IC 4017 Working Principle Explained

Now, let’s get down to the nitty-gritty and really understand the inner workings of this incredible chip. The IC 4017 working principle is built on a few clever digital logic concepts, primarily the Johnson counter architecture and careful handling of clock signals and reset functions. It’s more than just a black box; there’s some serious digital magic happening inside that 16-pin DIP package. Breaking it down will give you a solid foundation for designing your own sophisticated circuits.

The Heart of the Matter: Johnson Counter Architecture

At the very core of the IC 4017 working principle lies the Johnson counter , also known as a twisted ring counter . This isn’t just a fancy name; it describes a specific type of shift register where the inverted output of the last flip-flop is fed back to the input of the first flip-flop. Let me explain this a bit more clearly, guys. Imagine a series of flip-flops, chained together. Each time a clock pulse arrives, the data stored in one flip-flop shifts to the next one in the chain. In a standard ring counter, the output of the last flip-flop is fed directly back to the input of the first, creating a repeating pattern. However, with a Johnson counter , there’s a crucial twist: the inverted output of the last flip-flop (Q-bar) is fed back to the input of the first. This inversion creates a unique sequence of states, resulting in a pattern that is double the length of a simple ring counter using the same number of flip-flops. For the 4017, which is a decade counter, it employs a 5-stage Johnson counter. A 5-stage Johnson counter generates 10 unique states, which is perfect for our 0-9 counting. As the clock pulses, these states sequence through the internal shift register. For instance, the sequence might start with all zeros, then a single ‘1’ propagates, followed by two ‘1’s, and so on, until it’s all ‘1’s, and then the inverted feedback causes the ‘0’s to propagate back in. This specific sequence allows for a very elegant decoding scheme. Each of the 10 unique states of the Johnson counter corresponds directly to one of the 10 decoded output pins (Q0 through Q9) being active. The internal logic of the 4017 takes these Johnson counter states and uses a network of NAND gates (or similar logic) to decode them. This means that for each distinct state of the internal shift register, only one of the output pins (Q0-Q9) goes HIGH, while the other nine remain LOW. This integrated decoding is what makes the 4017 so incredibly convenient; you don’t need any external gates to get your sequential outputs, which would be necessary if you were using a standard binary counter. Understanding this Johnson counter architecture is fundamental to grasping the IC 4017 working principle because it explains how the sequential outputs are generated in such a clear, mutually exclusive manner. It’s a testament to clever digital design, providing a stable and predictable counting sequence that is both efficient and easy to utilize in a myriad of projects.

Pinout Power: Understanding Each Connection

To truly harness the IC 4017 working principle , you need to know your way around its pins. This little chip usually comes in a 16-pin Dual In-line Package (DIP), and each pin has a crucial role to play. Let’s break them down, pin by pin, so you know exactly what you’re connecting and why:

  • Pin 16 (VCC or VDD): This is your positive power supply connection. For CMOS devices like the 4017, the supply voltage can typically range from 3V to 15V (and sometimes up to 18V, check your specific datasheet). Always connect this to the positive rail of your power supply.
  • Pin 8 (GND or VSS): This is the ground connection, the negative terminal of your power supply. Connect this to the common ground of your circuit.
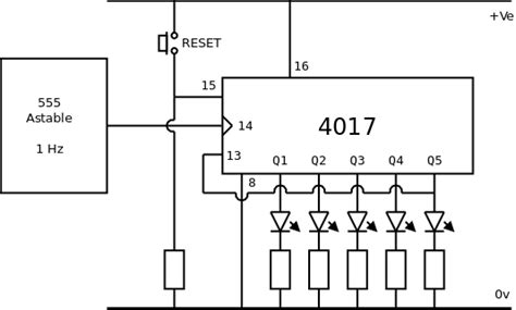
  • Pin 14 (CLOCK): This is the heart of the counter. The IC 4017 increments its count on the positive edge (LOW to HIGH transition) of the clock pulse. Each time this pin receives a rising edge, the counter advances one step. You’ll typically feed this with an oscillating signal from a 555 timer, an Arduino, or another logic gate. This is a critical input for the IC 4017 working principle , as it dictates the speed and progression of the counting sequence.
  • Pin 13 (CLOCK ENABLE or CE): Also sometimes labeled as CLOCK INHIBIT (CI) or G (Gate). This pin controls whether the clock pulses are allowed to increment the counter. It’s an active-LOW input. When Pin 13 is LOW, the clock input (Pin 14) is enabled, and the counter will respond to clock pulses. When Pin 13 is HIGH, the clock input is inhibited, and the counter will stop counting , holding its current state, regardless of any pulses on Pin 14. This is super useful for pausing the count or for basic control logic. If you don’t need to inhibit the clock, you usually connect this pin to GND.
  • Pin 15 (RESET): This is your reset input . It’s an active-HIGH input. When Pin 15 is HIGH, the counter immediately resets to its initial state, which means output Q0 (Pin 3) goes HIGH, and all other outputs (Q1-Q9) go LOW. The counter stays reset as long as this pin is HIGH. When Pin 15 goes LOW again, the counter is released from reset and is ready to count from Q0 on the next clock pulse. If you’re not using the reset function, this pin should be connected to GND to prevent accidental resets from noise.
  • Pins 3, 2, 4, 7, 10, 1, 5, 6, 9, 11 (Q0 through Q9): These are the 10 decoded outputs . These are the pins where the magic happens! When the counter is at a particular count (e.g., count 0), its corresponding output (Q0) goes HIGH, and all other outputs (Q1-Q9) remain LOW. As the counter increments, the next output in sequence goes HIGH. For example, on the first clock pulse (from reset), Q0 is HIGH. On the second clock pulse, Q1 goes HIGH (Q0 goes LOW). This continues up to Q9. After Q9 goes HIGH, the next clock pulse will cycle back to Q0. These outputs are capable of driving small loads like LEDs directly (with appropriate current-limiting resistors, of course).
  • Pin 12 (CARRY OUT or CO): This is the carry-out output , and it’s essential for cascading multiple 4017s. This pin goes HIGH when the counter reaches a count of 0 through 4 (Q0-Q4 are active), and then it goes LOW when the counter reaches a count of 5 through 9 (Q5-Q9 are active). It cycles back to HIGH when the count returns to 0. Essentially, it produces one full pulse (HIGH then LOW then HIGH again) for every 10 input clock pulses. This output can be directly connected to the CLOCK input (Pin 14) of a subsequent 4017 IC to extend the counting range, allowing you to create counters for 20, 30, 100 counts, or even more. Understanding these pins and their functions is absolutely crucial for anyone looking to build reliable and functional circuits using the IC 4017 working principle . Each pin plays a vital role in dictating the behavior of the counter, from timing to sequencing to expanding its capabilities.

The Magic of Sequential Output: How It Counts

Now that we know what’s inside and what each pin does, let’s trace the actual counting process to truly grasp the IC 4017 working principle . Imagine our chip is freshly powered up, and the RESET pin (Pin 15) is held LOW, and CLOCK ENABLE (Pin 13) is also held LOW, meaning it’s ready to count. Initially, when power is first applied or after a reset, the counter is in its default state: output Q0 (Pin 3) is HIGH , and all other outputs (Q1-Q9) are LOW. This is our starting point, count zero. Think of it as the LED at the very beginning of a sequence being lit up.

Here’s what happens with each incoming clock pulse on Pin 14 (assuming a positive edge-triggered setup):

  1. First Clock Pulse: When the first rising edge arrives at the CLOCK pin (Pin 14), the internal Johnson counter advances its state. This causes the HIGH state to shift from Q0 to Q1. So, Q1 (Pin 2) goes HIGH , and Q0 returns to LOW. The first LED in our sequence turns off, and the second one turns on.
  2. Second Clock Pulse: Another rising edge on CLOCK. The HIGH state shifts again. Q2 (Pin 4) goes HIGH , and Q1 goes LOW. Our third LED lights up.
  3. Third to Ninth Clock Pulses: This pattern continues. Each subsequent clock pulse causes the next sequential output pin (Q3, Q4, Q5, Q6, Q7, Q8, Q9) to go HIGH in turn, while the previously active output goes LOW. It’s like a wave of HIGH voltage propagating down the output pins, one after the other. This is the core of the IC 4017 working principle in action – creating that classic sequential effect.
  4. Tenth Clock Pulse: After Q9 has been HIGH, the tenth rising edge on CLOCK causes the counter to cycle back to the beginning. Q0 (Pin 3) goes HIGH again , and Q9 goes LOW. The sequence has completed one full cycle of 0-9 and is ready to start all over again. This cyclic behavior is what makes the 4017 perfect for repeating patterns and continuous operations.

During this entire counting process, the CARRY OUT (Pin 12) also plays a role. It will be HIGH for counts 0 through 4 (Q0-Q4 active) and then switch to LOW for counts 5 through 9 (Q5-Q9 active). When the counter wraps back to Q0, CARRY OUT goes HIGH again. This provides a single pulse for every 10 clock cycles, which, as we discussed, is perfect for driving the clock input of another 4017 to create longer counting sequences. Now, what about our control pins? If you ever need to stop the counting, simply take the CLOCK ENABLE (Pin 13) HIGH. The counter will freeze at its current state, ignoring any further clock pulses until Pin 13 is brought back LOW. And if you need to instantly reset the entire sequence back to Q0, just momentarily take the RESET pin (Pin 15) HIGH. As soon as you release RESET (bring it back LOW), the counter will be ready to begin counting from Q0 again on the next clock pulse. This detailed step-by-step understanding of the sequential output generation is key to mastering the IC 4017 working principle and confidently integrating it into your electronic designs. It’s a simple yet powerful mechanism that offers immense flexibility for various applications.

Practical Applications: Where Does the IC 4017 Shine?

Alright, theory is great, but where does the IC 4017 working principle really come alive? In practical applications, of course! This chip isn’t just a classroom example; it’s a workhorse in thousands of real-world projects, from simple blinking lights to more complex control systems. Its ability to provide sequential, decoded outputs with minimal external components makes it a go-to choice for hobbyists and educators. Let’s explore some of the most popular and inspiring ways to use this versatile IC.

Chaser Lights and LEDs: The Classic Example

When most people think of the IC 4017 , their minds immediately jump to chaser lights or LED sequencers , and for good reason! This is by far the most iconic and straightforward application that perfectly demonstrates the IC 4017 working principle . Imagine a row of 10 LEDs, and you want them to light up one after the other, creating a dynamic, eye-catching effect – perhaps for a party decoration, a toy, or even a prop. The 4017 makes this super simple . Here’s the basic setup:

  • The Clock Source: You need something to generate regular pulses to feed into the 4017’s CLOCK pin (Pin 14). A ubiquitous choice for this is the 555 timer IC , configured in an astable multivibrator mode. The 555 timer is fantastic because you can easily adjust the frequency (and thus the speed of your chaser lights) by changing the values of a few resistors and a capacitor. You can make your LEDs blink slowly and majestically, or rapidly and energetically. Alternatively, for more precise control, you could use a microcontroller like an Arduino to generate the clock pulses, allowing for complex patterns or user-controlled speed adjustments. Another option, for very simple projects, is a simple push-button with a debounce circuit to provide single, manual clock pulses for a step-by-step sequence. Whichever clock source you choose, its output is connected directly to Pin 14 of the 4017.
  • Connecting the LEDs: Each of the 10 decoded output pins (Q0 through Q9, which are Pins 3, 2, 4, 7, 10, 1, 5, 6, 9, 11 respectively) of the 4017 is connected to the anode (positive leg) of an LED. Crucially, each LED must have its own current-limiting resistor connected in series with it to protect both the LED and the 4017 chip from excessive current. Typically, a 220-ohm to 1k-ohm resistor works well, depending on your supply voltage and LED type. The cathode (negative leg) of each LED is then connected to the circuit’s ground. Because of the IC 4017 working principle , only one output goes HIGH at any given moment. This means only one LED will light up at a time. As the clock pulses, the HIGH signal