2000 Yukon Fuel Pump: Replacement Guide

E.Ittepic 106 views
2000 Yukon Fuel Pump: Replacement Guide

2000 Yukon Fuel Pump: Replacement Guide

Hey guys! Today, we’re diving deep into a crucial topic for all you 2000 Yukon owners out there: the fuel pump. If your trusty SUV is starting to show signs of fuel pump trouble, you’ve come to the right place. We’ll walk you through everything you need to know about diagnosing, replacing, and maintaining your 2000 Yukon’s fuel pump, ensuring your ride stays smooth and reliable. So, grab your tools, and let’s get started!

Understanding the Fuel Pump in Your 2000 Yukon

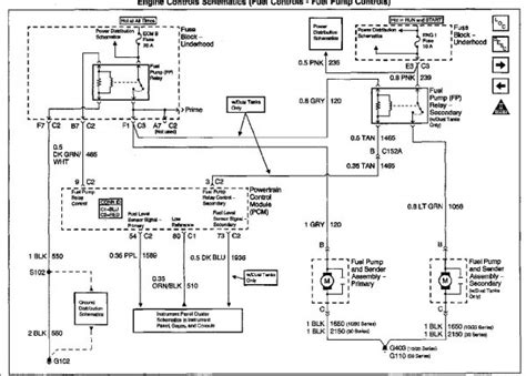
The fuel pump is the heart of your 2000 Yukon’s fuel system, responsible for delivering fuel from the gas tank to the engine. Without a properly functioning fuel pump, your Yukon simply won’t run. This component is typically located inside the fuel tank and is an electric pump designed to provide a consistent and adequate fuel supply to the engine, regardless of driving conditions. The 2000 Yukon uses a specific type of fuel pump designed to meet the demands of its engine, ensuring optimal performance and fuel efficiency. Over time, fuel pumps can wear out due to age, contamination from dirty fuel, or general wear and tear. Recognizing the symptoms of a failing fuel pump is crucial for preventing breakdowns and maintaining your vehicle’s reliability. Keep an eye (and ear) out for issues like difficulty starting, sputtering at high speeds, or a noticeable decrease in fuel efficiency. Addressing these problems promptly can save you from more significant headaches down the road and keep your Yukon running like a champ.

Your Yukon’s fuel pump works tirelessly to keep things running smoothly. Let’s delve into its critical role within your vehicle. The fuel pump ’s primary function is to draw fuel from the gas tank and deliver it under pressure to the engine’s fuel injection system. This consistent fuel supply is essential for the engine to operate efficiently. The pump must maintain a specific pressure level to ensure that the fuel injectors can spray the correct amount of fuel into the cylinders. When you turn the ignition key, the fuel pump should prime, which means it runs for a few seconds to build up pressure in the fuel lines. You can usually hear a brief whirring sound from the back of the vehicle when this happens. This priming action ensures that the engine receives fuel immediately upon starting. A failing fuel pump may struggle to maintain adequate pressure, leading to a variety of performance issues. These can range from hard starts and poor acceleration to stalling and a complete inability to start the engine. Because the fuel pump is so vital to your Yukon’s operation, keeping it in good condition is paramount.

Maintaining your 2000 Yukon’s fuel pump is crucial for its longevity and optimal performance. Regular maintenance can help prevent premature failure and ensure your vehicle runs smoothly. One of the most important things you can do is to keep your fuel tank at least a quarter full. The fuel helps cool the pump motor, preventing it from overheating and wearing out prematurely. Additionally, using high-quality fuel and avoiding running the tank to empty can prevent contaminants from being drawn into the pump. These contaminants can clog the filter and damage the pump itself. Consider using a fuel system cleaner periodically to help keep the fuel lines and injectors clean. Following the manufacturer’s recommendations for fuel filter replacement is also essential. A clogged fuel filter can put extra strain on the fuel pump, shortening its lifespan. By taking these simple steps, you can extend the life of your fuel pump and avoid costly repairs. Remember, a little preventative maintenance can go a long way in keeping your 2000 Yukon running reliably for years to come. So, show your fuel pump some love, and it will return the favor with dependable performance.

Signs of a Failing Fuel Pump

Recognizing the signs of a failing fuel pump can save you from getting stranded. Here are some common symptoms to watch out for:

  • Difficulty Starting: One of the first signs of a failing fuel pump is difficulty starting your Yukon. The engine may crank for an extended period before finally starting, or it may not start at all.
  • Sputtering at High Speeds: If your Yukon sputters or hesitates when you’re driving at high speeds, it could be a sign that the fuel pump isn’t delivering enough fuel to the engine.
  • Loss of Power: A failing fuel pump can cause a noticeable loss of power, especially when accelerating or climbing hills.
  • Stalling: Your Yukon may stall unexpectedly, particularly when the engine is warm.
  • Decreased Fuel Efficiency: A drop in fuel economy can also indicate a problem with the fuel pump.
  • Unusual Noises: You might hear a whining or buzzing sound coming from the fuel tank, which is a sign that the fuel pump is struggling.

If you notice any of these symptoms, it’s essential to have your Yukon inspected by a qualified mechanic as soon as possible. Ignoring these warning signs can lead to a complete fuel pump failure, leaving you stranded and facing a more costly repair.

Tools and Materials for Fuel Pump Replacement

Before you start the fuel pump replacement, gather all the necessary tools and materials. Having everything on hand will make the job go much smoother. Here’s a list of what you’ll need:

  • New Fuel Pump: Make sure to get the correct fuel pump for your 2000 Yukon. Check your vehicle’s specifications to ensure compatibility.
  • Fuel Filter: It’s a good idea to replace the fuel filter at the same time as the fuel pump.
  • Fuel Line Disconnect Tool: This tool is essential for safely disconnecting the fuel lines.
  • Socket Set and Wrenches: You’ll need a variety of sockets and wrenches to remove the fuel tank straps and other components.
  • Screwdrivers: Both flathead and Phillips head screwdrivers will come in handy.
  • Hammer: A hammer may be needed to loosen stubborn parts.
  • Jack and Jack Stands: You’ll need to lift your Yukon to access the fuel tank safely.
  • Safety Glasses and Gloves: Protect your eyes and hands from fuel and debris.
  • Fuel-Safe Container: To collect any spilled fuel.
  • Shop Rags: For cleaning up spills.
  • Penetrating Oil: To loosen any rusted bolts.

With these tools and materials, you’ll be well-prepared to tackle the fuel pump replacement project. Remember to work in a well-ventilated area and take all necessary safety precautions when working with fuel.

Step-by-Step Fuel Pump Replacement Guide

Now, let’s get into the fuel pump replacement process. Follow these steps carefully to ensure a successful replacement:

  1. Safety First: Disconnect the negative battery cable to prevent any electrical sparks.
  2. Depressurize the Fuel System: Locate the fuel pressure relief valve (usually on the fuel rail) and depressurize the system using the appropriate tool or by carefully loosening the valve.
  3. Raise the Vehicle: Use a jack and jack stands to safely lift the rear of your Yukon. Make sure the vehicle is securely supported.
  4. Drain the Fuel Tank: If possible, drain as much fuel as possible from the tank using a siphon or fuel pump removal tool. This will make the tank lighter and easier to handle.
  5. Disconnect Fuel Lines and Electrical Connectors: Use the fuel line disconnect tool to carefully disconnect the fuel lines from the fuel pump module. Also, disconnect any electrical connectors.
  6. Remove the Fuel Tank Straps: Loosen and remove the fuel tank straps that hold the tank in place. Have a helper support the tank as you remove the straps.
  7. Lower the Fuel Tank: Carefully lower the fuel tank to the ground. You may need to maneuver it around exhaust components or other obstacles.
  8. Remove the Fuel Pump Module: Once the tank is on the ground, remove the locking ring that secures the fuel pump module to the tank. Then, carefully remove the fuel pump module from the tank.
  9. Install the New Fuel Pump: Install the new fuel pump into the module, making sure all connections are secure.
  10. Reinstall the Fuel Pump Module: Reinstall the fuel pump module into the tank and secure it with the locking ring.
  11. Reinstall the Fuel Tank: Carefully lift the fuel tank back into position and secure it with the fuel tank straps.
  12. Reconnect Fuel Lines and Electrical Connectors: Reconnect the fuel lines and electrical connectors to the fuel pump module.
  13. Lower the Vehicle: Remove the jack stands and lower the vehicle to the ground.
  14. Reconnect the Battery: Reconnect the negative battery cable.
  15. Test the Fuel Pump: Turn the ignition key to the “on” position (without starting the engine) and listen for the fuel pump to prime. Check for any fuel leaks.
  16. Start the Engine: Start the engine and let it run for a few minutes to ensure the fuel pump is working correctly.

Tips for a Successful Fuel Pump Replacement

To ensure a smooth and successful fuel pump replacement, keep these tips in mind:

  • Work in a Well-Ventilated Area: Fuel vapors are flammable and can be harmful to your health, so work in a well-ventilated area.
  • Use the Right Tools: Using the correct tools will make the job easier and prevent damage to your vehicle.
  • Take Your Time: Don’t rush the process. Take your time and follow the steps carefully.
  • Consult a Professional: If you’re not comfortable performing the replacement yourself, consult a qualified mechanic.
  • Replace the Fuel Filter: It’s always a good idea to replace the fuel filter at the same time as the fuel pump.
  • Check for Leaks: After the replacement, check for any fuel leaks before driving your Yukon.

By following these tips, you can increase your chances of a successful fuel pump replacement and keep your 2000 Yukon running smoothly.

Maintaining Your New Fuel Pump

Once you’ve replaced your fuel pump , proper maintenance is key to extending its lifespan. Here are some tips to keep your new fuel pump in top condition:

  • Keep Your Fuel Tank Full: As mentioned earlier, keeping your fuel tank at least a quarter full helps cool the fuel pump and prevents it from overheating.
  • Use High-Quality Fuel: Using high-quality fuel can help prevent contaminants from entering the fuel system and damaging the fuel pump.
  • Replace the Fuel Filter Regularly: A clean fuel filter will prevent debris from clogging the fuel pump and reducing its efficiency.
  • Avoid Running the Tank to Empty: Running the tank to empty can cause the fuel pump to suck up sediment and debris from the bottom of the tank.
  • Consider Fuel System Cleaners: Periodically using a fuel system cleaner can help keep the fuel lines and injectors clean.

By following these maintenance tips, you can help ensure that your new fuel pump lasts for many years to come.

When to Consult a Professional

While it’s possible to replace the fuel pump yourself, there are times when it’s best to consult a professional. If you’re not comfortable working on your vehicle or if you encounter any difficulties during the replacement process, it’s always a good idea to seek professional help. Additionally, if you’re unsure about any of the steps involved or if you don’t have the necessary tools, a qualified mechanic can perform the replacement quickly and safely. Remember, your safety and the proper functioning of your vehicle are the top priorities. Don’t hesitate to seek professional assistance if you’re unsure about anything.

Replacing the fuel pump in your 2000 Yukon can seem daunting, but with the right knowledge, tools, and a bit of patience, you can tackle this project successfully. Remember to prioritize safety, follow the steps carefully, and don’t hesitate to seek professional help if needed. By keeping your fuel system in good condition, you can ensure that your Yukon continues to provide reliable performance for years to come. Happy wrenching!